7475 pin diagram

This chip was made with. Reviews 0 74HC75 is 4 Bit Bi-Stable Latch 16 Pin IC.


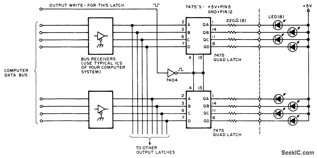
Moving Light Display Led And Light Circuit Circuit Diagram Seekic Com

Decade and Binary Counters.

. 5V swagatam innovations 12 13 4 1K Push. List of Unclassifed Man. The LM 747 IC is a 14 pin.

Pin Configuration of LM747 IC. ï75 CONNECTION DIAGRAM PINOUT A 54 7475 Of 4-BIT BISTABLE LATCH LOGIC DIAGRAM TRUTH TABLE Each Latch H HIGH Voltage Level L LOW Voltage Level DC -. Every gate utilizes 2-input pins 1-output pin by the remaining 2-pins being power ground.

RJ45 Cross Over Ethernet Cable Pinout How to Crimp an RJ45 Ethernet Cable Follow these steps to make sure you make the perfectly crimped RJ45 connector. 7475 d flip flop d flip flop 74175 pin 74ls175 pin diagram 9374 74175 ttl pin diagram 74116 7477 d latch ci 74ls194 74174 text fairchild logic connection diagrams d145 9370 9374 digital ttl. The J and K data is processed by the flip-flops after a complete clock pulse.

Buy 7475-00 NS View the manufacturer and stock and datasheet pdf for the 7475-00 at Jotrin Electronics. Quad D type flip flop 74175 Quad D flip flop 7475 Quad d flip flop is available in Ingratiated circuitry which has 16 pins. All 1R swagatam innovations All 1K 5 ITT 12 16- - 3 IC 7475 15.

Package Contains a Divide-by-Two and a Divide-by-Five Counter. It has a 4 d flip flop with separate input D and output Q and Qbar. The simulation diagram 7475 i View the full answer Transcribed image text.

Buy 7475 NS Learn more about 7475 4-BIT BISTABLE LATCHES View the manufacturer and stock and datasheet pdf for the 7475 at Jotrin Electronics. It contains 4 transparent D latches with common enable gate on latches 0 and 1 and another common enable on latches 2 and 3. This article is an overview of LM747 IC data sheet which includes LM747 IC pin diagram circuit working features and applications.

This device contains two independent positive pulse triggered J-K flip-flops with complementary outputs. The IC 7400 is a 14-pin chip and it includes four 2-input NAND gates.


4d6 Manual Devices


D Latch Using Ic 7475 Youtube


Ic Pin Diagram Free Download And Software Reviews Cnet Download


Tda7250 Pin Connection And Functions Diagram Integrated Circuits Elektropage Com


Typical Appearance Of A Friction Spot Weld In En Aw 7475 T761 13 Download Scientific Diagram


7449 Ic Pinout Diagram Integrated Circuits Elektropage Com


Solved Design Fastest Finger First Indicator Circuit Chegg Com


Ic 7473 7474 7475 7476 Pinout Diagram And Data Sheet Etechnog


9 3 Latches Engineering Libretexts


Ic 7473 7474 7475 7476 Pinout Diagram And Data Sheet Etechnog


Electronic Logic


74 Series Digital Circuit Of 7475 74l75 4 Bit Bistable D Type Latch Basic Circuit Circuit Diagram Seekic Com


Flip Flops And Registers Ppt Video Online Download


Axl Mertk Inhibitor Ono 7475 Potently Synergizes With Venetoclax And Overcomes Venetoclax Resistance To Kill I Flt3 I Itd Acute Myeloid Leukemia Haematologica


490 Electronics Ideas In 2022 Circuit Diagram Circuit Diagram


D Flip Flop Circuit Diagram Working Truth Table Explained


Figure 10 1 Cross Nor S R Flip Flop A Set Condition B Reset Condition Ppt Download

Iklan Atas Artikel

Iklan Tengah Artikel 1

Iklan Tengah Artikel 2

Iklan Bawah Artikel